М 232.20.0500.503 Тип21/650.2
Дом » Продукты » Поворотный Подшипник По Стандарту » ROTHE ERDE » 21 СЕРИЯ » М 232.20.0500.503 Тип21/650.2

loading

loading

М 232.20.0500.503 Тип21/650.2

штат:
  • 583

  • 648

  • Внутренняя шестерня

  • Мяч

  • 36.7

  • М 232.20.0500.503 Тип21/650.2

М 232.20.0500.503 - Купить М 232.20.0500.503 Тип 21/650.2 Товар на Ma an Shan Best Trading Co.Ltd.

Роте   Erde НОМЕР ДЕТАЛИ.232.20.0500.503 Тип21/650.2
MAS НОМЕР ДЕТАЛИ.М 232.20.0500.503 Тип21/650.2
РядСерия 23
МеханизмВнутренняя шестерня
ТипМяч
Система измеренияМетрика
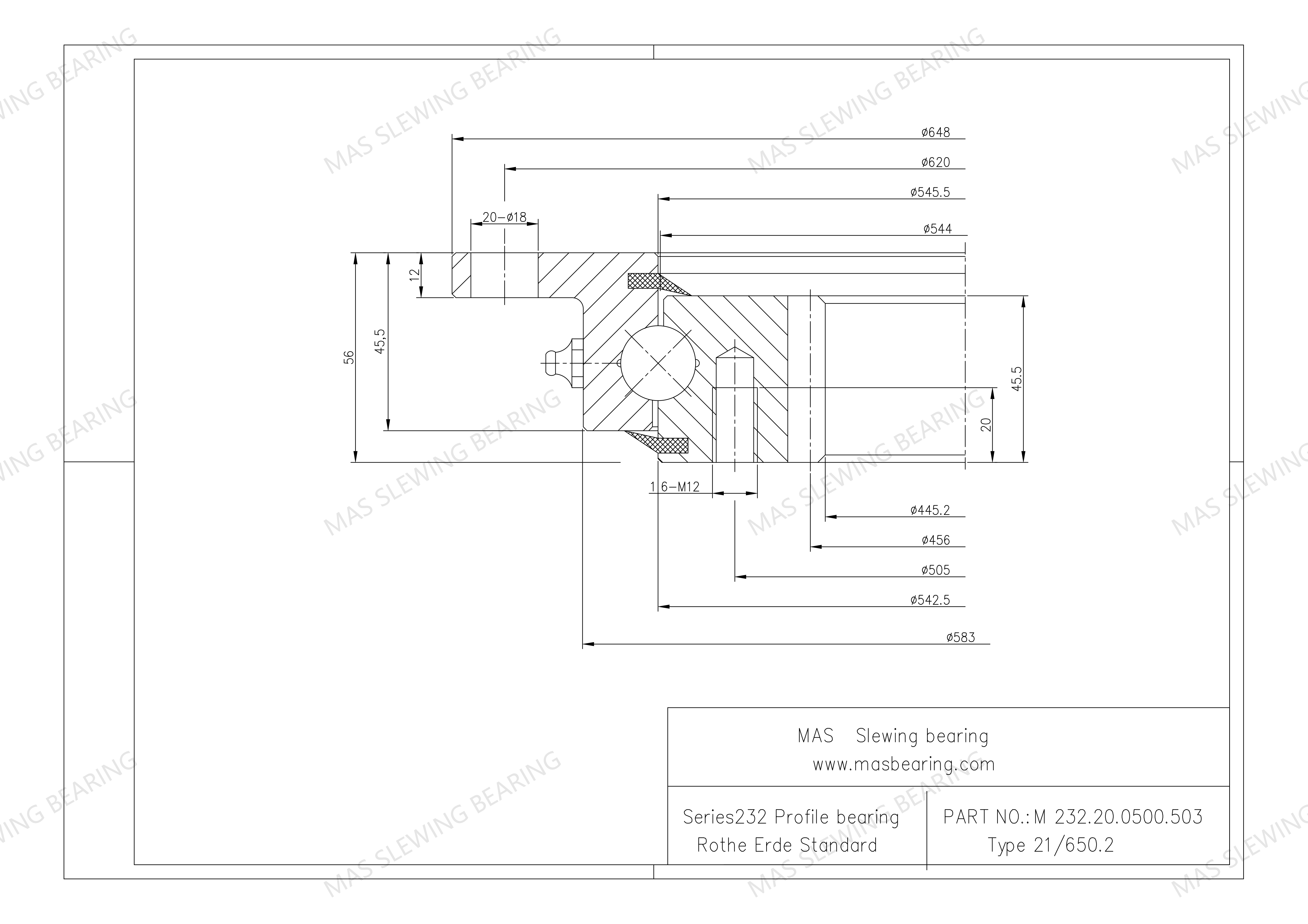
Диаметр подшипника   Гоночная дорожка  Дл (мм)544
Внешний диаметр наружного   Кольцо Да (мм)648
Внутренний диаметр внутреннего кольца   Ди (мм)445.2
Высота общего подшипника   Сборка Н (мм)56
Внешний диаметр на внутреннем   Кольцо О (мм)542.5
Внутренний диаметр на внешнем   Кольцо U (мм)545.5
Внутренний диаметр на внутреннем   Кольцо С ​​(мм)583
Расстояние между нижним внешним   Кольцо Внутреннее кольцо Hu (мм)10.5
Внешний круг отверстия ствола   Диаметр Ла (мм)620
Количество отверстий во внешнем кольце Na20
Диаметр отверстия B (мм)18
Внутренний круг отверстия ствола   Диаметр ли (мм)505
Количество отверстий во внутреннем кольце ni16
Размер болта M (мм)12
Глубина резьбы т (мм)20
Делительный диаметр шестерни d (мм)456
Зубчатые модули м (мм)6
Количество зубьев шестерни z76
км-0.6
Ширина зуба б (мм)45.5
Допустимые касательные силы   Нормальный X1кН16
Допустимые касательные силы   Максимум X2кН32
Вес (кг)36.7
Количество смазочных ниппелей n14
Минимальный радиальный зазор подшипника   (мм)≤0,5
Мин. осевой наклон   Зазор (мм)≤0,5
Электронная почтаmasbearing@outlook.com
Моб/Вичат+86 15255522117


facebook sharing button
twitter sharing button
line sharing button
wechat sharing button
linkedin sharing button
pinterest sharing button
sharethis sharing button
предыдущий: 
следующий: 
Профессиональный поворот
производитель подшипников

НАШИ ПРОДУКТЫ

ПРОДУКТЫ

+86-15255522117
  Город Мааншань.Аньхой.Китай.
Связаться C Hами
Copyright © 2022 Ma an Shan Best Trading Co.Ltd. Все права защищены. Sitemap |Поддержка Leadong