М 232.20.1000.013 Тип21/1200.2
Дом » Продукты » Поворотный Подшипник По Стандарту » ROTHE ERDE » 21 СЕРИЯ » М 232.20.1000.013 Тип21/1200.2

loading

loading

М 232.20.1000.013 Тип21/1200.2

штат:
  • 1133

  • 1198

  • Внутренняя шестерня

  • Мяч

  • 80.7

  • М 232.20.1000.013 Тип21/1200.2

М 232.20.1000.013 - Купить М 232.20.1000.013 Тип 21/1200.2 Продукт на Ma an Shan Best Trading Co.Ltd.

Роте   Erde НОМЕР ДЕТАЛИ.232.20.1000.013 Тип21/1200.2
MAS НОМЕР ДЕТАЛИ.М 232.20.1000.013 Тип21/1200.2
РядСерия 23
МеханизмВнутренняя шестерня
ТипМяч
Система измеренияМетрика
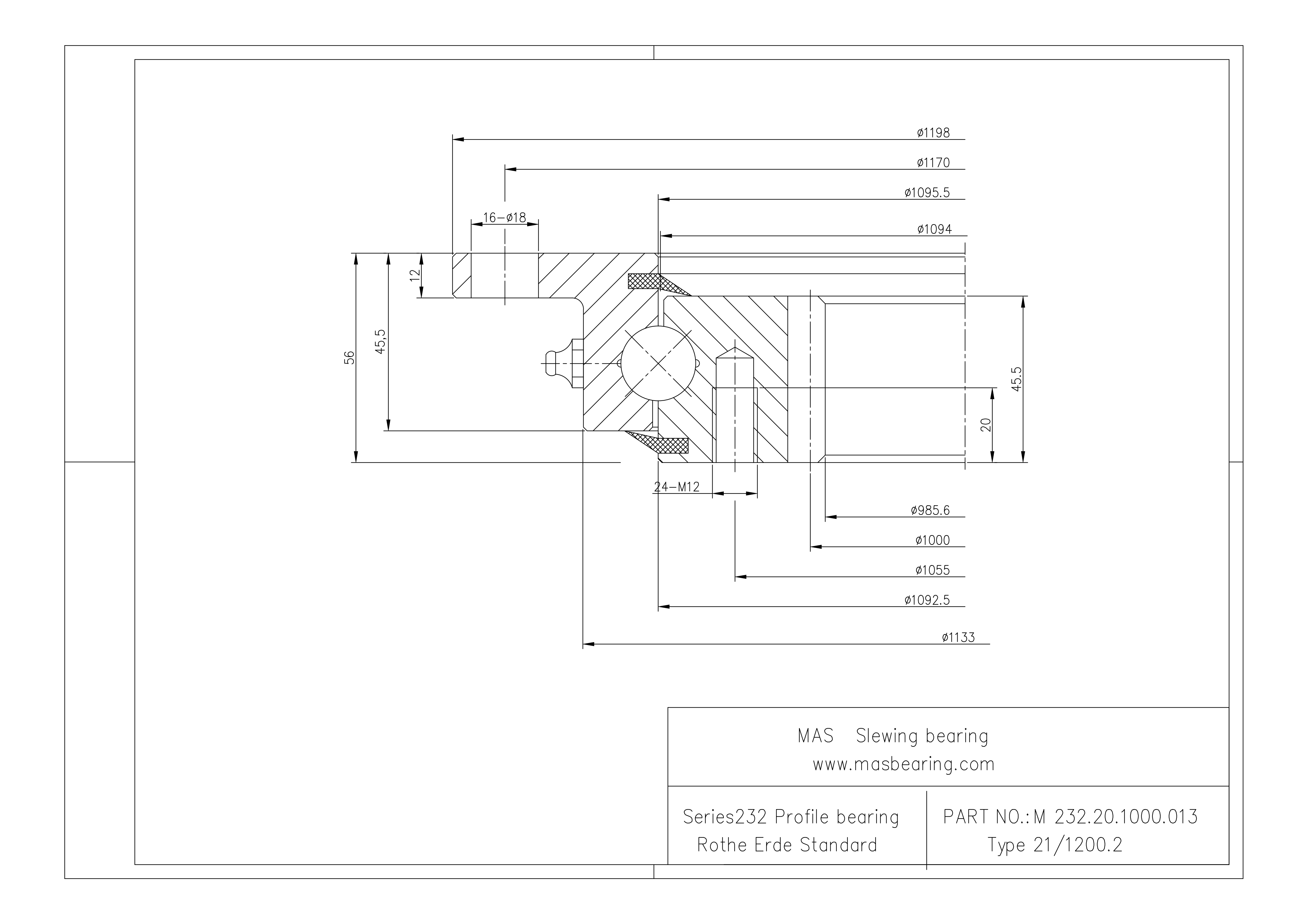
Диаметр подшипника   Гоночная дорожка  Дл (мм)1094
Внешний диаметр наружного   Кольцо Да (мм)1198
Внутренний диаметр внутреннего кольца   Ди (мм)985.6
Высота общего подшипника   Сборка Н (мм)56
Внешний диаметр на внутреннем   Кольцо О (мм)1092.5
Внутренний диаметр на внешнем   Кольцо U (мм)1095.5
Внутренний диаметр на внутреннем   Кольцо С ​​(мм)1133
Расстояние между нижним внешним   Кольцо Внутреннее кольцо Hu (мм)10.5
Внешний круг отверстия ствола   Диаметр Ла (мм)1170
Количество отверстий во внешнем кольце Na16
Диаметр отверстия B (мм)18
Внутренний круг отверстия ствола   Диаметр ли (мм)1055
Количество отверстий во внутреннем кольце ni24
Размер болта M (мм)12
Глубина резьбы т (мм)20
Делительный диаметр шестерни d (мм)1000
Зубчатые модули м (мм)8
Количество зубьев шестерни z125
км-0.8
Ширина зуба б (мм)45.5
Допустимые касательные силы   Нормальный X1кН20.16
Допустимые касательные силы   Максимум X2кН40.32
Вес (кг)80.7
Количество смазочных ниппелей n14
Минимальный радиальный зазор подшипника   (мм)≤0,5
Мин. осевой наклон   Зазор (мм)≤0,5
Электронная почтаmasbearing@outlook.com
Моб/Вичат+86 15255522117


facebook sharing button
twitter sharing button
line sharing button
wechat sharing button
linkedin sharing button
pinterest sharing button
sharethis sharing button
предыдущий: 
следующий: 
Профессиональный поворот
производитель подшипников

НАШИ ПРОДУКТЫ

ПРОДУКТЫ

+86-15255522117
  Город Мааншань.Аньхой.Китай.
Связаться C Hами
Copyright © 2022 Ma an Shan Best Trading Co.Ltd. Все права защищены. Sitemap |Поддержка Leadong