loading

loading

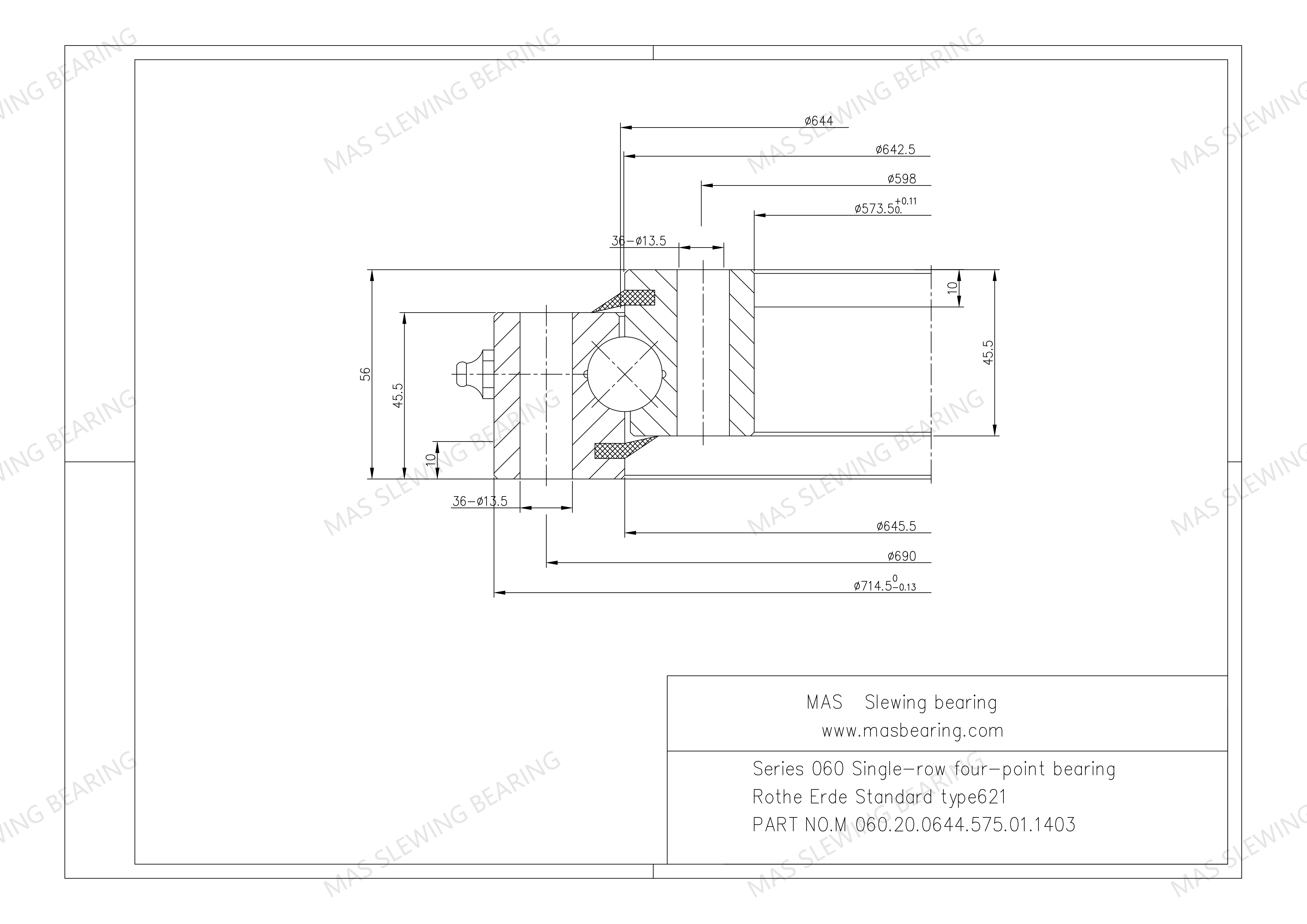
060.20.0644.575.01.1403

штат:
  • 573,5+0,11

  • 714,5-0,13

  • Без снаряжения

  • Мяч

  • 44

  • М 060.20.0644.575.01.1403

М 060.20.0644.575.01.1403 - Купить М 060.20.0644.575.01.1403 Товар на Ma an Shan Best Trading Co.Ltd.

Роте   Erde НОМЕР ДЕТАЛИ.060.20.0644.575.01.1403
MAS НОМЕР ДЕТАЛИ.М 060.20.0644.575.01.1403
РядСерия 06
МеханизмБез снаряжения
ТипМяч
Система измеренияМетрика
Диаметр подшипника   Гоночная дорожка  Дл (мм)644
Внешний диаметр наружного   Кольцо Да (мм)714,5-0,13
Внутренний диаметр внутреннего кольца   Ди (мм)573,5+0,11
Высота общего подшипника   Сборка Н (мм)56
Внешний диаметр на внутреннем   Кольцо О (мм)642.5
Внутренний диаметр на внешнем   Кольцо U (мм)645.5
Высота наружного кольца H1 (мм)45.5
Высота внутреннего кольца H2 (мм)45.5
Расстояние между нижним внешним   Кольцо Внутреннее кольцо Hu (мм)10.5
Расстояние до верхнего внешнего кольца   Внутреннее кольцо Ho (мм)10.5
Внешний круг отверстия ствола   Диаметр Ла (мм)690
Внутренний круг отверстия ствола   Диаметр ли (мм)598
Количество отверстий во внутреннем кольце n36
Диаметр отверстия B (мм)13.5
Диаметр отверстия М (мм)12
Вес (кг)44
Количество смазочных ниппелей n14
Мин. осевой наклон   Зазор (мм)≥0 до 0,04
Минимальный радиальный зазор подшипника   (мм)≥0 до 0,04
Электронная почтаmasbearing@outlook.com
Моб/Вичат+86 15255522117


facebook sharing button
twitter sharing button
line sharing button
wechat sharing button
linkedin sharing button
pinterest sharing button
sharethis sharing button
предыдущий: 
следующий: 
Профессиональный поворот
производитель подшипников

НАШИ ПРОДУКТЫ

ПРОДУКТЫ

+86-15255522117
  Город Мааншань.Аньхой.Китай.
Связаться C Hами
Copyright © 2022 Ma an Shan Best Trading Co.Ltd. Все права защищены. Sitemap |Поддержка Leadong